





產品分類
Product Category您的位置: 首頁 > 產品中心 > 80SWYEJ系列無刷齒輪電機
* 82mm無刷電機(自動化改裝)配合高精密行星齒輪箱設計,
* 絕緣等級F,耐高溫155度
* 使用進口靜音軸承,更長的適用壽命
* 使用高磁性能材料,更小的體積
* 80SWYEJ系列無刷齒輪電機(自動化改裝)采用磨齒工藝,齒輪箱更加低噪音以及特長壽命
* 可選裝各種驅動器、編碼器等,適合其他各種的自動化設備應用
* 80SWYEJ系列無刷齒輪電機(自動化改裝)可代替進口電機
* 80SWYEJ系列無刷齒輪電機廣泛應用于各種電動平衡車、機器人系統、思維車等
性能參數
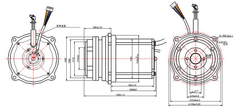
外形尺寸
定制說明
上一個:PG62系列行星齒輪箱
下一個:122ZYTJ系列直流齒輪電機
聯系方式
contact us地址:無錫市濱湖區胡埭工業園北區聯合路10號A1棟
手機:15335200825(吳建群)
電話:0510-85581922
傳真:0510-85582300
關注我們
QR COdE