





產品分類
Product Category您的位置: 首頁 > 產品中心 > 82SWB系列無刷直流電機
* 82mm NEMA34標準的電機
* 絕緣等級F,耐高溫155度
* 使用高性能磁鋼,更大的功率重量比。
* 使用優化的磁性設計,無任何齒槽效應
* 可選裝各種驅動器、編碼器等,適合不同的自動化設備應用
* 可代替進口電機:AMETEK MCG PITTMAN
* 廣泛應用于包裝機械、噴涂機、絡筒機、科學測試儀器等
性能參數
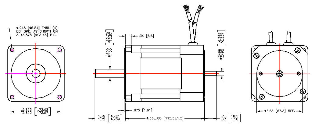
外形尺寸
定制說明
上一個:76ZYTJ系列直流齒輪電機
下一個:80SWY系列無刷直流電機
聯系方式
contact us地址:無錫市濱湖區胡埭工業園北區聯合路10號A1棟
手機:15335200825(吳建群)
電話:0510-85581922
傳真:0510-85582300
關注我們
QR COdE